
A
ll
and more about Sharp PC-1500
at
http://www.PC-1500.info
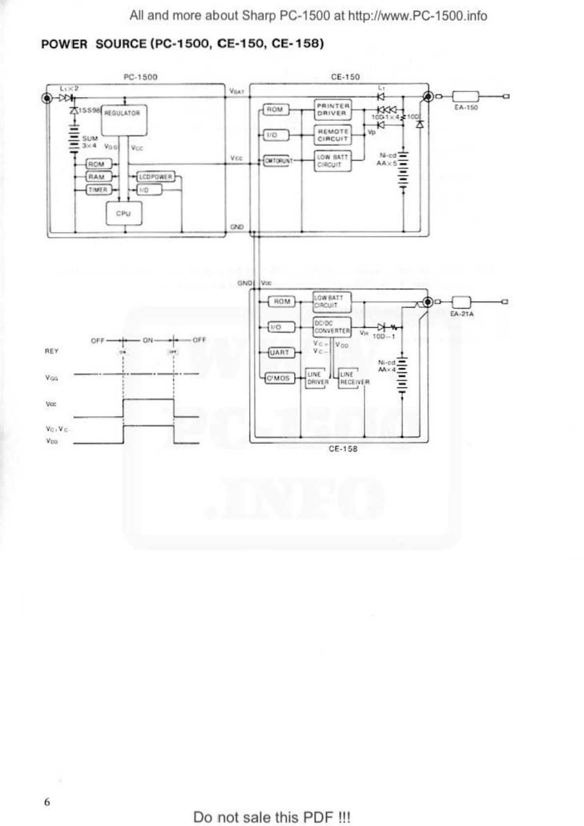
POWI
ER
SOURCE
(PC-1500,
CE-150,
CE-158)
PC"
500
CE·1
50
,
,~
.
...
,,
o-e=}--o
1SS9E
~A
INT(:R
(A.t50
AEGULATOA
OAIV€R
1001
)(
"1
•
Al;
MOTE
"'
=
su
M
CI
P
(:UIT
,:.
3
...
•
•
••
vcc
V«
lO
W
941i
t.t-c:d -
C-':Q#fl
""~
..c
s
=
-
REY
oFF
-+--
ori-t--oi=r:
..
~
·
'
'
'
V
e.a
' '
-
-·~·--·~·
-
'
'
'
'
Vu
'
L
'
V
¢.
'J
¢
L
Voo
C
E-1
58
6
Do
not sale this PDF !!!
Comentários a estes Manuais