
A
ll
and more about Sharp PC-1500
at
http://www.PC-1500.info
1
0
I
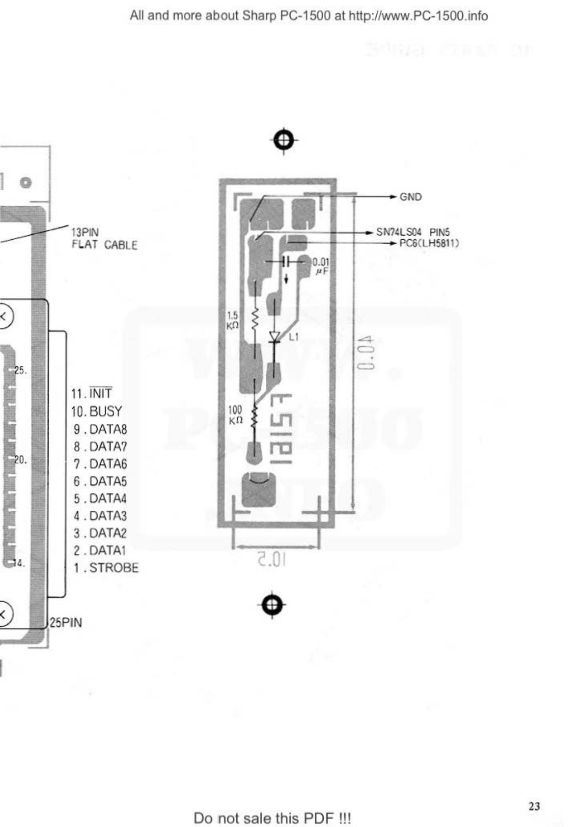
GND
13PIN
SN?!LSC4
PIN5
F
LAT
C
AB
LE
PC6
C
LH581
1)
0.0
1
/'
F
v
1.5
KO
4
=
•
,,
=
11
. I
NIT
fT"
1
0.
BUSY
U1
9.
DATAS
-
8.
DATA7
re
0.
? .
DATA6
6.
DATA5
5.
DATA4
4.
DATA3
3.
DATA2
2.
DATA
1
<'.
. 0 I
1 .STROBE
v
23
Do not sale this PDF !!!
Comentários a estes Manuais