
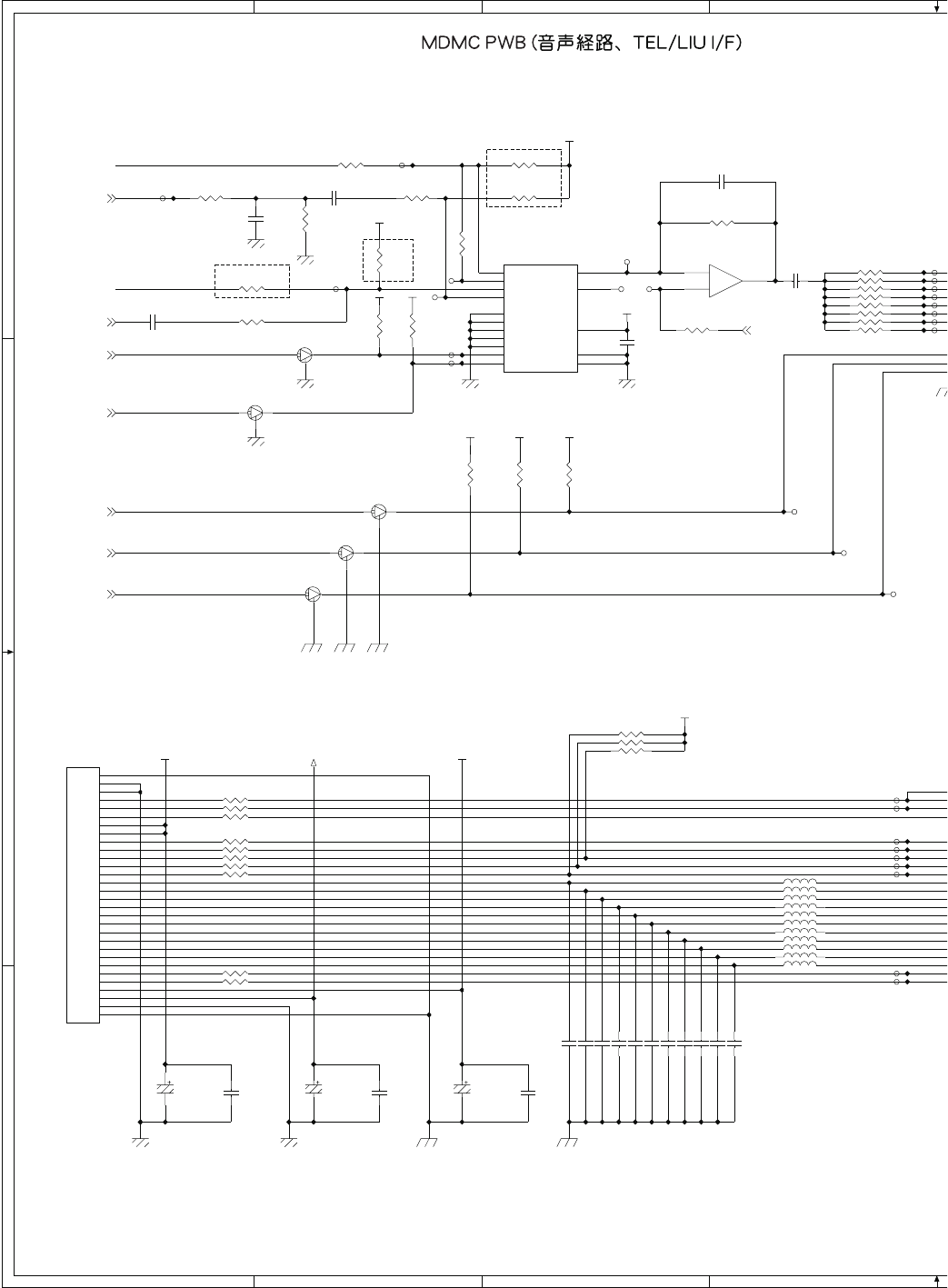
AR-FX8 MDMC PWB 2 - 23
R258 0
TP584
TR17
DTC363E
2
1
3
R259 0
C72
0.1uF-D
R225 BLM15A-601
R68 0
R66
10kJ
C48
4700pF(B)
C159
0.01uF
R260 0
C118
0.1uF
R206 BLM15A-601
TP549
C34 0.1uF(FILM)
C140
0.01uF
R261 0
C139
0.01uF
C115
47uF/25V
R203 BLM15A-601
R98 N.M
1005
TP574
C141
0.01uF
CN6
30FE-BT-VK-N
1
1
2
2
3
3
4
4
5
5
6
6
7
7
8
8
9
9
10
10
11
11
12
12
13
13
14
14
15
15
16
16
17
17
18
18
19
19
20
20
21
21
22
22
23
23
24
24
25
25
26
26
27
27
28
28
29
29
30
30
C114
47uF/25V
TP544
R106
39kJ
C132
0.01uF
TP565
IC14A
NJM4558
1
2
3
A
-
+
C103
0.1uF-D
R100
N.M
1005
R85 10kJ
C142
0.01uF
R110 68kJR93
10kJ
TP576
TR4
DTC363E
2
1
3
T
TP577
R70 6.8kJTP553
C130
0.01uF
R109 100kJ
TR16
DTC363E
2
1
3
R94
10kJ
T
R228 BLM15A-601
C134
0.01uF
R108 36kJ
R95 91kJ
TP557
TP567
T
C133
0.01uF
R67 12kJC68
0.1uF(FILM)
C153
47uF/25V
R205 BLM15A-601
T
C129
0.01uF
R111 20kJ
R128
10kF
C146
0.1uF-D
C131
0.01uF
TP543
TR5
DTC363E
2
1
3
R64
10kJ
R268 10kJ
R208 BLM15A-601
TP569
R97 N.M
1005
TR6
DTC363E
2
1
3
R269 10kJ
TP579
IC22
CD4052BC
X0
12
X1
14
X2
15
X3
11
Y0
1
Y1
5
Y2
2
Y3
4
INH
6
A
10
B
9
X
13
Y
3
VSS
8
VEE
7
VDD
16
R262 BLM15A-601
T
T
R99 9.1kJ
R65
10kJ
TP568
R107 18kJ
C36 0.033uF(FILM)
R226 BLM15A-601
R185 0
R129
18kJ
R227 BLM15A-601
TP566
R69 3kJ
C73
1000pF(B)
R180 0
R222 0
R86
2.2kJ
TP580
R204 BLM15A-601
R223 0
TP578
TP545
R224 0
R207 BLM15A-601
R96 N.M
1005
TP552
TP554
TP581
R257 0
T
T
TP583
R270 10kJ
SIGTX
SIGRX
TXL
SIGRX
+12V(F)
+12V(F) +12VS(F)
+5V(F)
+5V(F)
+5V(F)
+5V(F)
+12V(F) +12V(F)
AGAG
AGAG
AGAG
AGAG AGAG
AGAG
+5V(F)
AGAG
AGS
+5V(F)
+5V(F)
BZ5
SPSELA5
SPSELB5
VOLB5
VOLC5
AOUTM2
VREF6 2
VOLA5
(5-2C)
(11-4B)
(5-2C)
(5-2D)
(5-2D)
TEL/LIU IF
DG
(2-7C)
(2-7D)
(5-2C)
DG DG DG
(5-2C)
DG
(11-4B)
8
8
7
7
6
6
5
5
D
C
B
A
MDMC PWB (VOICE PATH, TEL/LIU I/F) /
Comentários a estes Manuais