
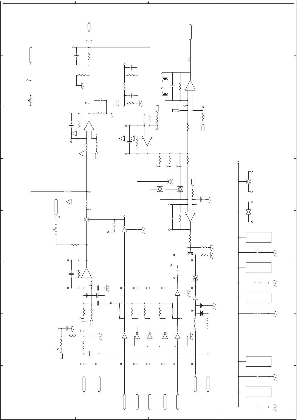
AR-FX8 TEL / LIU PWB 4 - 3
8
8
7
7
6
6
5
5
4
4
3
3
2
2
1
1
D D
C C
B B
A A
NJM4558
1-1A
NJM4558
IC104
14
4
8
4
IC105
8
N.M
IC103
N.M
4
1-1D
IC107
814
7
BU4066B
IC102
7
1-3A,2-3B,2-4B
2-7C,2-7D,3-3B
1-3A,2-3C,2-4B
2-7C,2-7D,3-3B
1-3A,2-3C,2-4B
2-7C,2-7D,3-3B
1-3A,2-3C,2-3B
2-7C,2-7D,3-3B
1-3A,2-3C,2-3B
2-4B,2-7D,3-3B
1-3A,2-3C,2-3B
2-4B,2-7C,3-3B
SIGTX
TELRX
SIGRX
1
1
1
1
1
TX-
/VRSEL1
TX+
/VRSEL3
RX+
/MICMUTE
RX-
/RCVMUTE
/VRSEL2
SIGRX
TELRX
VREF
VREF
VREF
VREF
MON
VREF
VREF
IN/OUT
AG
AG AGAG
AG
AG
AG
AG
AG
AG
AG
12V
12V
AG
12V
12V
AG
12V
AG
AG
AG
AG
CN2-21
CP43
CP69
C3
N.M
C13
N.M
CN2-23
C19
N.M
C21
N.M
C27
N.M
CP56
C18
N.M
CN2-22
CP42
CP79
R81
11k
TP5
C44
100p(CH)
CP53
C38
0.068u(B)
CN2-19
CP59
C39
470p(B)
C35
N.M
C28
N.M
R63
N.M
C12
N.M
CP31
R79
11k
CP93
+
-
IC107A
NJM4558
3
2
1
R77
27k
CN1-1
CP108
R62
N.M
CP94
CN2-5
CP47
R78
18k
C37
N.M
C50
220p(CH)
CP97
CN2-4
ZD10
N.M
CP109
R60
N.M
Q112
N.M
E
B C
CP49
Q111
N.M
E
B C
Q113
N.M
E
B C
CP99
Q105
N.M
E
B C
CN1-4
CP159
ZD11
N.M
Q115
N.M
E
B C
IC103D
N.M
12
1011
CN2-6
CP52
CP48
TP3
+
C4
N.M
R70
3.3k
C40
0.068u(B)
CP34
CP39
IC103B
N.M
5
3 4
R59
N.M
CP50
CP96
CP110
R16
N.M
R15
N.M
+
-
IC107B
NJM4558
5
6
7
L5
N.M
CP51
R51
N.M
R28
N.M
TP2
R29
N.M
CN1-2
C20
N.M
+
C22
N.M
+
-
IC102A
N.M
3
2
1
R27
N.M
IC103A
N.M
13
1 2
CP36
R82
N.M
CP100
CP32
IC104B
BU4066B
5
34
C33
0.1u
R45
N.M
R73
5.1k
CP33
R74
15k
CN1-3
R7251k
CP158
CP37
CP45
R69
620
R67
470
Q116
N.M
E
B C
+
C48
4.7u/50V
+
C42
4.7u/50V
R64
620
CP95
R65
22k
+
C29
N.M
R66
22k
R68
22k
R71
22k
R41
N.M
CP147
CP60
CP70
CP154
IC104C
BU4066B
6
89
R84
N.M
CP44
IC104D
BU4066B
12
10 11
R32
N.M
CP107
CP160
L4 N.M
CP157
R31
N.M
R48
22k
R44
N.M
CP98
Q108
N.M
R42
N.M
Q106
N.M
E
B C
CP71
CP161
C41 N.M
IC103C
N.M
6
89
R46
N.M
+
C11
N.M
D6
N.M
D5
N.M
+
-
IC108B
NJM4558
5
6
7
CP40
C45
0.1u
L3 N.M
CP105
CP73
CP163
R43
N.M
R57
N.M
CP41 CP101
R49
22k
CP72
CP46
+
-
IC102B
N.M
5
6
7
R50
22k
CP162
R52
N.M
C34
0.1u
CN2-20
CP38
TEL/LIU PWB 2
Comentários a estes Manuais