
[1] SYSTEM CONFIGURATION
1. Hardware
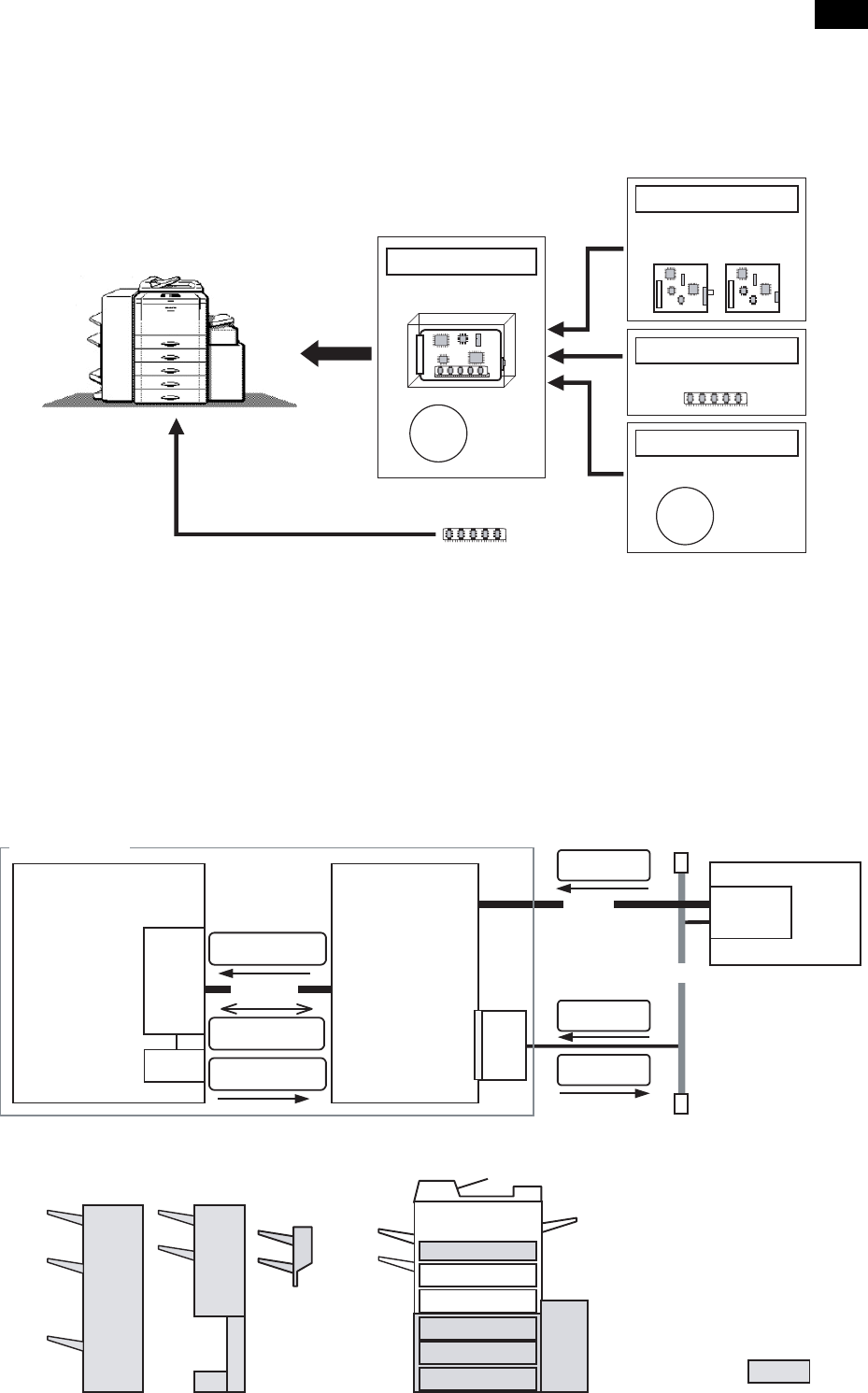
A. Main Unit
(1) Print Controller Hardware and Options
Controller Hardware
Hardware configuration is as follows:
• ProcessorR 4700
• Base Memory 16 MB
• Flash Memory 1 slot with 8 MB
• Memory Expansion 2 Standard 72 pin SIMM slots
• Parallel Interface 1 IEEE 1284 compatible Type B
• Network Expansion Slot 1 Internal slot
(2) Options
DRAM
The system can optionally be configured with up to 64-MB optional
DRAM Using industry standard, 16 or 32 Mb72 pin SIMMs.
Network Server Card
AR-PB2 Printing system can optionally be configured with Network
Server Card of supporting 10Base-T and 100Base-TX.
B. System Elements
C. Input/Output Device Options
Printer Expansion kit
AR-PB2A
CD-ROM
CD-ROM
Print Server Card
AR-NC3D
(10Base-T / 100Base-TX)
Expansion Memory
AR-SM1
SDRAM
Scanner Expansion Kit
AR-NS1
P1284
SCSI I/F
Copier Printer Controller
Bitmap data
Bitmap data
ICU
command/status
NIC
(DPI)
Windows PC
Own
Printer
Driver
Ethernet
AR-PB2A printer
Print data/
Setting data
DPO I/F
eRDH
Print data/
Setting data
Scan data
Bypass Tray
BT
ADU
LCC
Option
2Tray
Output
3Tray
Finisher
2Tray
Finisher
STD Output
(1Tray) or
(2Tray)
Tray5
(Only Japan
Domestic)
Tray4
Tray3
Tray2
Tray1
AR-PB2A
1 – 1
Comentários a estes Manuais