Many
Manuals
search
Categorias
Marcas
Principal
Sharp
Câmaras de vídeo
VL-AX1U
Manual de Serviço
Sharp VL-AX1U Manual de Serviço Página 77
Descarregar
Partilhar
Partilha
Adicionar aos meus manuais
Imprimir
Página
/
117
Índice
MARCADORES
Avaliado
.
/ 5. Com base em
avaliações de clientes
1
2
3
4
5
6
7
8
9
10
11
12
13
14
15
16
17
18
19
20
21
22
23
24
25
26
27
28
29
30
31
32
33
34
35
36
37
38
39
40
41
42
43
44
45
46
47
48
49
50
51
52
53
54
55
56
57
58
59
60
61
62
63
64
65
66
67
68
69
70
71
72
73
74
75
76
77
78
79
80
81
82
83
84
85
86
87
88
89
90
91
92
93
94
95
96
97
98
99
100
101
102
103
104
105
106
107
108
109
110
111
112
113
114
115
116
117
123456789
1
0
11
12
13
14
15
16
17
18
19
20
A
B
C
D
E
F
G
H
I
J
VL-AX1U
98~99
14-22. CCD SCHEMATIC DIAGRAM
1
2
...
72
73
74
75
76
77
78
79
80
81
82
...
116
117
SERVICE MANUAL
1
1. IMPORTANT SERVICE NOTES
2
ATTENTION
3
CAUTION
4
2. SPECIFICATIONS
5
3. PART NAMES
6
4. DISASSEMBLY OF THE SET
7
Camera=Main FPC BtoB
8
Lens FPC
8
Focus FPC
8
Lens cabinet
9
(1) Slide caliper
10
(2) Precision screwdrivers
10
(3) Radio needle-nose pliers
10
(4) Tweezers
10
Performance checks
11
6-2. Precautions
11
<Precautions>
12
8. TAPE RUNNING ADJUSTMENT
15
8-4. Running rough adjustment
16
8-5. Final running adjustment
16
(DISASSEMBLY AND REASSEMBLY)
17
9-4. Phase matching
19
(Tentative tightening)
20
Fit the main brake SPR from
21
Swing arm Ass'y
22
Reel cover Ass'y
22
FPC cover
22
9-6. Removing the cassette
23
[Making adjustments]
28
1.0±0.05
30
ADJUSTING THE LCD CIRCUIT
31
VIDEO I/O ENG DAC CIRCUIT
32
2.0Vp-p 0.1Vp-p
34
ADJUSTING THE MIC AMP CIRCUIT
35
MODEL ID SETTING
37
000A Iris offset adjustment
41
100mV/div
42
Picture fails
45
Blueback fails
45
12. SIGNAL FLOW DIAGRAMS
46
12-3. FLOW IN PB MODE (VIDEO)
47
WAVEFORM DIAGRAM
47
(DURING COLOR BAR PLAYBACK)
47
From IC3404
48
PB system
48
13. BLOCK DIAGRAMS
49
CCD CAMERA
50
- M E M O
55
14-4. CMC SCHEMATIC DIAGRAM
59
14-16. DAC SCHEMATIC DIAGRAM
71
14-18. V/F SCHEMATIC DIAGRAM
73
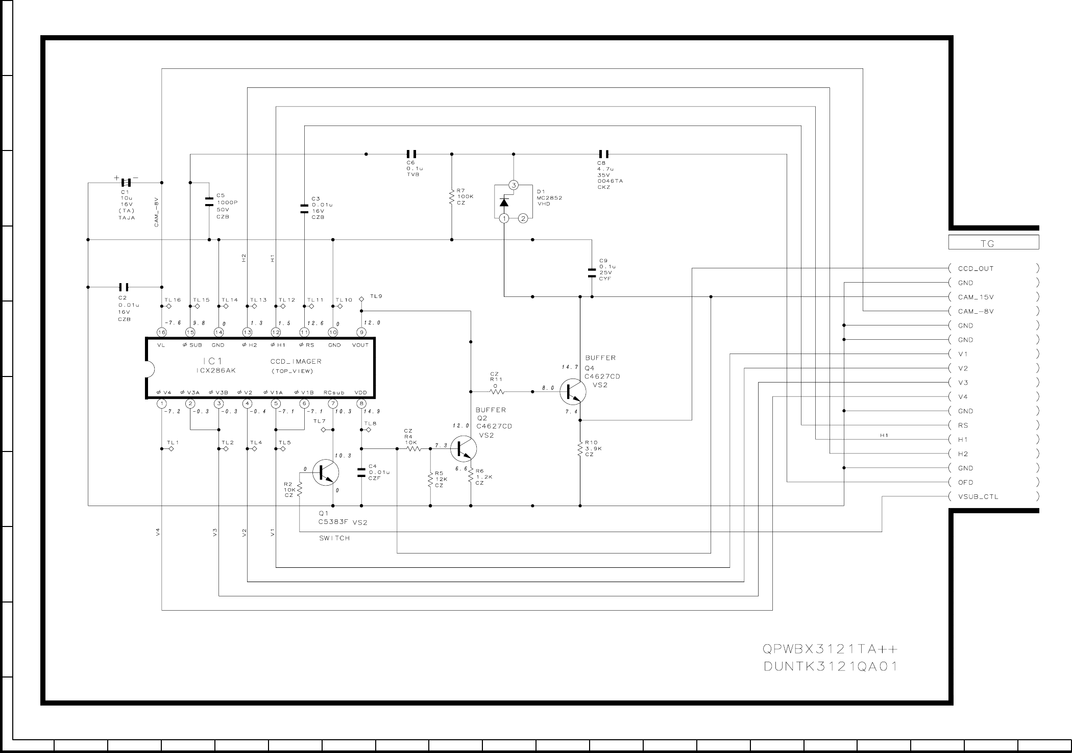
14-22. CCD SCHEMATIC DIAGRAM
77
14-23. TG SCHEMATIC DIAGRAM
78
14-24. CDS SCHEMATIC DIAGRAM
79
14-26. LCD SCHEMATIC DIAGRAM
81
MAIN PWB
85
CAMERA PWB
89
HEAD AMP PWB
92
Component Side SIDE A
92
Wiring Side SIDE A
92
Component Side SIDE B
93
Wiring Side SIDE B
93
17. REPLACEMENT PARTS LIST/
94
EXPLODED VIEWS
94
PACKAGED CIRCUITS
95
COILS AND TRANSFORMER
95
CAPACITORS
95
MISCELLANEOUS PARTS
102
DUNTK3120QA03
103
SUB PWB UNIT
103
RESISTORS
104
DUNTK3121QA01
105
CAMERA PWB UNIT
105
DUNTK3122QA01
106
LCD PWB UNIT
106
MECHANISM PARTS
108
CASSETTE CONTROL PARTS
108
CABINET PARTS LIST
109
CAMERA UNIT PARTS LIST
110
ACCESSORIES
111
CABINET EXPLODED VIEW
113
CASSETTE CONTROL EXPLOOD VIEW
114
CAMERA UNIT EXPLOOD VIEW
114
18. PACKING OF THE SET
116
COPYRIGHT
117
2002 BY SHARP CORPORATION
117
ALL RIGHTS RESERVED
117
Comentários a estes Manuais
Sem comentários
Publish
Manuais e produtos relacionados com Câmaras de vídeo Sharp VL-AX1U
Câmaras de vídeo Sharp VN-EZ1U Manual do Utilizador
(14 páginas)
Câmaras de vídeo Sharp VL-NZ50U Manual de Serviço
(124 páginas)
Câmaras de vídeo Sharp VL-A111S Manual de Serviço
(96 páginas)
Câmaras de vídeo Sharp VL-NZ50U - MiniDV Compact Digital Viewcam Especificações
(84 páginas)
Câmaras de vídeo Sharp VL-AH131E Especificações
(72 páginas)
Câmaras de vídeo Sharp R-520E Especificações
(136 páginas)
Câmaras de vídeo Sharp VL-WD450U Especificações
(120 páginas)
Câmaras de vídeo Sharp VIEWCAM VL-A10H Especificações
(63 páginas)
Câmaras de vídeo Sharp VL-C650S Manual de Serviço
(112 páginas)
Câmaras de vídeo Sharp VN-EZ1U Especificações
(49 páginas)
Câmaras de vídeo Sharp VL-Z1U Manual de Serviço
(129 páginas)
Câmaras de vídeo Sharp VL-A111S Manual do Utilizador
(67 páginas)
Câmaras de vídeo Sharp VL-NZ50S Manual do Utilizador
(72 páginas)
Câmaras de vídeo Sharp VL-AH151S Manual do Utilizador
(75 páginas)
Câmaras de vídeo Sharp VL-AH131S Manual do Utilizador
(67 páginas)
Câmaras de vídeo Sharp VL-NZ100S Manual do Utilizador
(96 páginas)
Câmaras de vídeo Sharp DSR-PD150P Manual do Utilizador
(172 páginas)
Câmaras de vídeo Sharp VL-NZ100S Manual do Utilizador
(91 páginas)
Câmaras de vídeo Sharp VL-AH160U Manual do Utilizador
(80 páginas)
Câmaras de vídeo Sharp VL-AH130U Manual do Utilizador
(72 páginas)
Imprimir documento
Imprimir página 77
Comentários a estes Manuais