Many
Manuals
search
Categorias
Marcas
Principal
Sharp
Câmaras de vídeo
VL-AH150
Manual de Serviço
Sharp VL-AH150 Manual de Serviço Página 58
Descarregar
Partilhar
Partilha
Adicionar aos meus manuais
Imprimir
Página
/
92
Índice
MARCADORES
Avaliado
.
/ 5. Com base em
avaliações de clientes
1
2
3
4
5
6
7
8
9
10
11
12
13
14
15
16
17
18
19
20
21
22
23
24
25
26
27
28
29
30
31
32
33
34
35
36
37
38
39
40
41
42
43
44
45
46
47
48
49
50
51
52
53
54
55
56
57
58
59
60
61
62
63
64
65
66
67
68
69
70
71
72
73
74
75
76
77
78
79
80
81
82
83
84
85
86
87
88
89
90
91
92
VL-AH150U
VL-AH160U
123456789
1
0
11
12
13
14
15
16
17
18
19
20
A
B
C
D
E
F
G
H
I
J
72~73
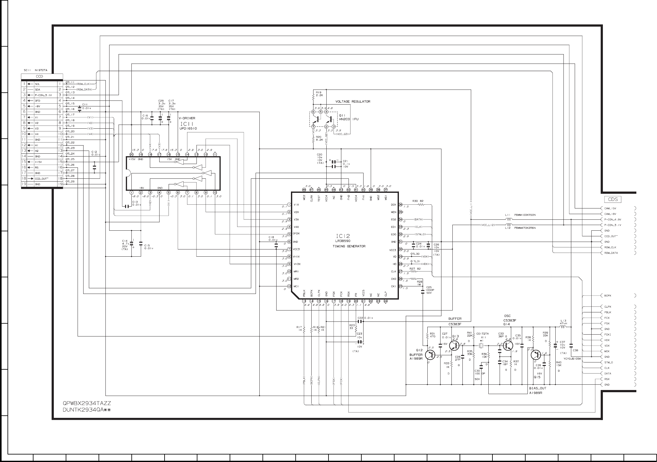
8-15. TG SCHEMATIC DIAGRAM
1
2
...
53
54
55
56
57
58
59
60
61
62
63
...
91
92
SERVICE MANUAL
1
1. IMPORTANT SERVICE NOTES
2
ATTENTION
3
CAUTION
4
2. SPECIFICATIONS
5
3. PART NAMES AND FUNCTION
6
4. DISASSEMBLY OF THE SET
7
LZ2413H5
12
5. MECHANISM ADJUSTMENT
13
5-2-2. Notes and cautions
14
Reel support surface
15
Rise waveform
17
REV OK Playback
17
REV NG Playback
17
5-4-4. Adjusting the Tu guide
18
5-5-1. Mechanism modes
19
5-5-2. Cassette control ass’y
20
5-5-4. Drum and Drum base
20
5-5-5. Phase matching
21
Insert the part in the rail
22
6-1. INITIAL SETTING OF E
24
6-3-2-1. Typical connections
25
<Extension Cable etc.>
25
0000 00
26
6-3-3-1. Adjusting the power
28
circuit
28
Standard value
29
6-4-2. Adjustment procedures
32
286mVp-p
33
6-5. TROUBLE SHOOTING
35
6-5-3. Charging mode troubles
36
7. SYSTEM BLOCK DIAGRAMS
37
VL-AH150U
38
VL-AH160U
38
ADD 43, 44, 45, 46
39
ADD 3F, 40, 41, 42
39
7-5. LENS DRIVE BLOCK DIAGRAM
42
- M E M O
43
RUNTZ0404TAZZ
44
(VL-AH160U)
44
(VL-AH150U/UC)
44
8-3. ZOOM SCHEMATIC DIAGRAM
46
8-4. DSP SCHEMATIC DIAGRAM
47
8-5. AUDIO SCHEMATIC DIAGRAM
48
8-6. SYSCON SCHEMATIC DIAGRAM
49
8-10. POWER SCHEMATIC DIAGRAM
53
8-11. I/O SCHEMATIC DIAGRAM
54
8-14. RF SCHEMATIC DIAGRAM
57
8-15. TG SCHEMATIC DIAGRAM
58
8-16. CDS SCHEMATIC DIAGRAM
59
8-17. LDRV SCHEMATIC DIAGRAM
60
8-20. CCD SCHEMATIC DIAGRAM
63
VCR PWB Wiring Side SIDE A
65
VCR PWB Wiring Side SIDE B
67
10. REPLACEMENT PARTS LIST/
75
EXPLODED VIEWS
75
PACKAGED CIRCUITS
76
COILS AND TRANSFORMER
76
CAPACITORS
77
RESISTORS
79
MECHANISM PARTS
85
CABINET PARTS LIST
86
(NOT REPLACEMENT ITEM)
87
CABINET EXPLODED VIEW
89
11. PACKING OF THE SET
91
ALL RIGHTS RESERVED
92
Comentários a estes Manuais
Sem comentários
Publish
Manuais e produtos relacionados com Câmaras de vídeo Sharp VL-AH150
Câmaras de vídeo Sharp VL-MC500U Manual de Serviço
(116 páginas)
Câmaras de vídeo Sharp ViewCam VL-NZ100U Especificações
(112 páginas)
Câmaras de vídeo Sharp OZ-640 Manual do Utilizador
(2 páginas)
Câmaras de vídeo Sharp VN-EZ1U Manual de Serviço
(58 páginas)
Câmaras de vídeo Sharp Viewcam VN-EZ1U Especificações
(42 páginas)
Câmaras de vídeo Sharp VL-WD250S Manual de Serviço
(139 páginas)
Câmaras de vídeo Sharp VL-A10U Manual de Serviço
(97 páginas)
Câmaras de vídeo Sharp VL-C650S Manual de Serviço
(148 páginas)
Câmaras de vídeo Sharp VL-AX1U Manual de Serviço
(117 páginas)
Câmaras de vídeo Sharp VN-EZ1U Manual do Utilizador
(14 páginas)
Câmaras de vídeo Sharp VL-NZ50U Manual de Serviço
(124 páginas)
Câmaras de vídeo Sharp VL-A111S Manual de Serviço
(96 páginas)
Câmaras de vídeo Sharp VL-NZ50U - MiniDV Compact Digital Viewcam Especificações
(84 páginas)
Câmaras de vídeo Sharp VL-AH131E Especificações
(72 páginas)
Câmaras de vídeo Sharp R-520E Especificações
(136 páginas)
Câmaras de vídeo Sharp VL-WD450U Especificações
(120 páginas)
Câmaras de vídeo Sharp VIEWCAM VL-A10H Especificações
(63 páginas)
Câmaras de vídeo Sharp VL-C650S Manual de Serviço
(112 páginas)
Câmaras de vídeo Sharp VN-EZ1U Especificações
(49 páginas)
Câmaras de vídeo Sharp VL-Z1U Manual de Serviço
(129 páginas)
Imprimir documento
Imprimir página 58
Comentários a estes Manuais