
38
VL-AH150U
VL-AH160U
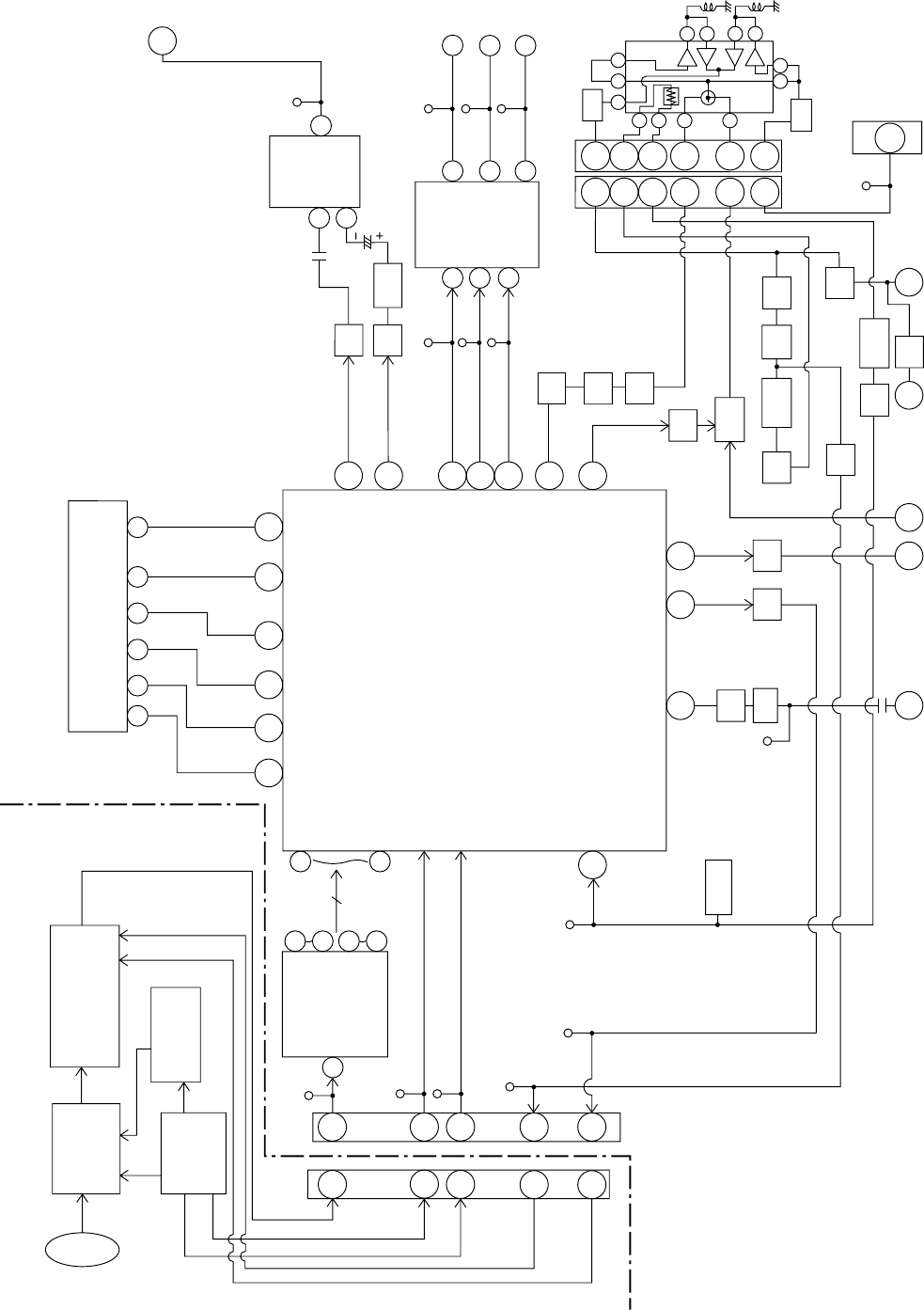
7-1. VIDEO SIGNAL BLOCK DIAGRAM
IC707
OSD
15
27
1
39
10
5
8
12
18
11 12 18 16 17
127128129130131132
35
69
79 81
94
101
103
107
115
117
124
IC401
CAM
Y/C
ATF
LCD SIG
OSD MIX
DATA IN
CCD9CK
CCD14CK
AD IN
CLAMP
CH
BLK1
WB
BLK0
WB
BLK1
CHAR0 CHAR2
C OUT
Y OUT
LCD G
LCD R
LCD B
REC FM
REC LOW C OUT
CHAR1
ATF
ERROR
ACCFSC
IC151
SC152
SC102
TL191
TL174
TL177
10 bit
ADC
2
23
15
10
12
13
24
1
23
2
TL405
Q409
TL166
TL165
FL
FL FL
BF
TL407
117
23
19
Q410
FL
IC706
IC601
IC601
17
118
IC601
IC706
Q707/IC708
MIX
AMP
PEAKING
AMP
IC101
CDS, AGC
8
3231
25
26
4
øVøH
H
V
IC11
V-DRIVER
IC12
TG
IC1
Lens
CCD
SENSOR
FL
FL
NC
FL
TL801
GIN
RIN
R OUT
G OUT
B OUT
BIN
TL800
TL802
Q1401
Q1403
Q1402
Q1404
8
1
5
IC1451
DRIVER
IC800
11
CN3601
TL1451
7
6
8
24
9
22
10
20
11
CN3800
CN7401 SC305
Q307
TL3813
TL3814
TL3815
BUF
FL
EQ
EQ
EQ
BUF
ENV.
DET
BUF
Q407
Q8401
Q8402
Q8404
13
1616
19
28
31
34
13
19
28
31
34
Q6451
Q7455
Q7452
Q7451
Q6404
Q6402
Q7401
Q8452
Q8451
Q7404 Q7406 Q7407
PEAKING
AMP
AUDIO
TRAP
BUF
11
9
7
32
30
28
23
24
27
13
17
18
14
BUF
IC301
H/A
CN9401
Q302
REC RF-OUT
TL9413
27
36
Comentários a estes Manuais