
42
VL-AH150U
VL-AH160U
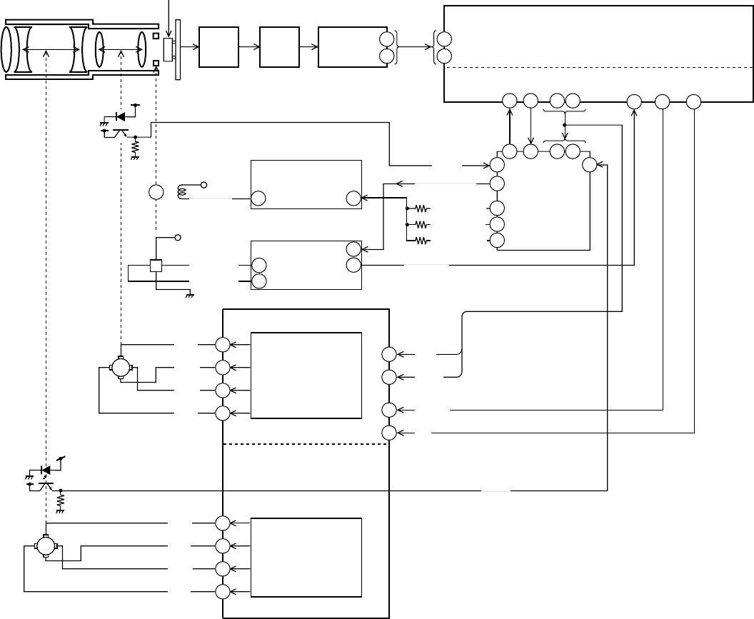
7-5. LENS DRIVE BLOCK DIAGRAM
IC1
CCD SENSER
42
49
IC401
DSP
41
48
IC706
DATA
SYSCON
160
21 22 20 19
212 34
6
17 18
5
4
3
IC102
D/A
4.9V
(PHIRF)
(HALL OFFSET)
(HALL IN (–))
(DRIVE (+))
(IRIS OFFSET)
(IRIS L )
(IRIS H )
IC151
A/D
IC101
CDS
AGC
ZOOM LENS MASTER LENS
IRIS
METER
Device
M
IC551 LENS DRIVER
(FO2+)
(FO2-)
(FO1+)
(FO1-)
M
FOCUS
MOTOR
Master
Lens
POSI
ZOOM
LENS
POSI
ZOOM
MOTOR
M
(ZO1+)
(ZO1-)
(ZO2+)
(ZO2-)
16
14
10
12
(CLK)
(DATA)
35
34
(LATCH)
(VD)
33
32
ZOOM MOTOR
DRIVE
(PHIRZ)
(HALL OUT)
28
30
26
24
IRIS, FOCUS, ZOOM CONTROL
LENS
DATA2
DATA
CLKCS
(HALL IN (+))
FOCUS MOTOR
DRIVE
124 10
IC553
OP-AMP
67
IC552
OP-AMP
8
3
13
14
H
Comentários a estes Manuais