Many
Manuals
search
Categorias
Marcas
Principal
Sharp
Copiadoras
AR-150E
Especificações
Sharp AR-150E Especificações Página 103
Descarregar
Partilhar
Partilha
Adicionar aos meus manuais
Imprimir
Página
/
107
Índice
MARCADORES
Avaliado
.
/ 5. Com base em
avaliações de clientes
1
2
3
4
5
6
7
8
9
10
11
12
13
14
15
16
17
18
19
20
21
22
23
24
25
26
27
28
29
30
31
32
33
34
35
36
37
38
39
40
41
42
43
44
45
46
47
48
49
50
51
52
53
54
55
56
57
58
59
60
61
62
63
64
65
66
67
68
69
70
71
72
73
74
75
76
77
78
79
80
81
82
83
84
85
86
87
88
89
90
91
92
93
94
95
96
97
98
99
100
101
102
103
104
105
106
107
PO
WER SUPPL
Y (100V/110V)
AL-1000/1010
13-9
1
2
...
98
99
100
101
102
103
104
105
106
107
[1] GENERAL
2
[2] SPECIFICATIONS
3
[The reattachment procedure]
9
B. Drum unit
10
[6] Printing process
22
(–580V/–400V)
23
Semiconductor laser
24
[7] OPERATIONAL DESCRIPTIONS
26
To MCU PWB
27
1) Basic structure
28
2) Laser beam path
28
3) Composition
28
Heat roller
29
Thermistor
29
Thermal fuse
29
Heater lamp
29
Separator pawl
29
[8] DISASSEMBLY AND ASSEMBLY
34
D. Charger wire cleaning
35
E. Charger wire replacement
35
Note that there are 13 pawls
36
C. Assembly procedure
37
Heat roller disassembly
39
B. Disassembly procedure
40
Wire treatment
45
Multi cover
46
[9] Adjustment
51
(4) Image position adjustment
57
1. Lead edge adjustment
57
Document guide
58
Copy paper
58
(A4 or 8 1/2″ × 11″)
58
Test chart
59
White paper
59
(1) Main charger (Grid bias)
60
Procedures
60
(2) DV bias adjustment
60
2. List of simulation
62
3. Contents of simulations
63
4. Trouble Codes
72
[11] USER PROGRAM
73
[12] ELECTRICAL SECTION
74
A. Maiin PWB (MCU)
76
(1) CPU signal table
76
(2) ASIC
79
(3) Reset circuit
86
(5) Driver circuit (Solenoid)
88
(7) Main motor drive circuit
88
Mirror motor
89
Block diagram
90
(2) FW signal
92
(3) Heater lamp drive circuit
92
CL (Xenon lamp)
93
CL- (CNT)
93
Input +24V
93
Selector
94
IC902,903
94
[13] CIRCUIT DIAGRAM
95
AL-1000/1010
100
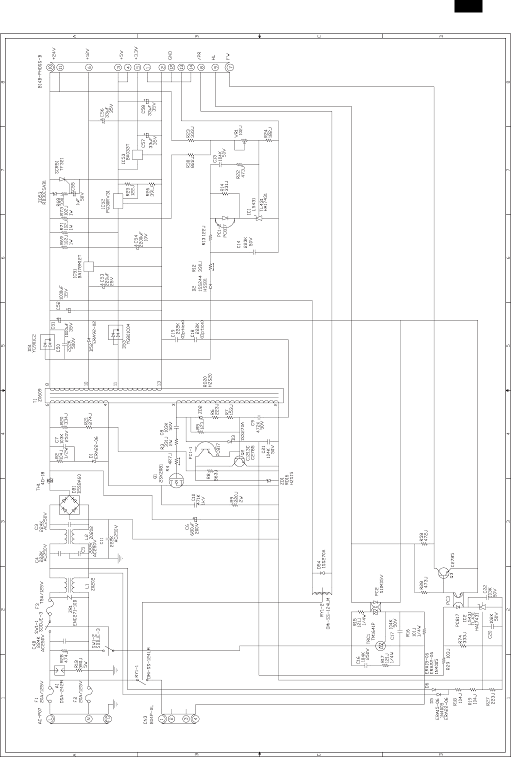
POWER SUPPLY (100V/110V)
103
POWER SUPPLY (120V/127V)
104
POWER SUPPLY (200V Series)
105
ACTUAL WIRING DIAGRAM
106
SHARP CORPORATION
107
Comentários a estes Manuais
Sem comentários
Publish
Manuais e produtos relacionados com Copiadoras Sharp AR-150E
Copiadoras Sharp AR-NB2 Manual de Serviço
(36 páginas)
Copiadoras Sharp AR-M208 Manual do Utilizador
(9 páginas)
Copiadoras Sharp AR-151 Especificações
(170 páginas)
Copiadoras Sharp MX-PNX1B Manual do Utilizador
(2 páginas)
Copiadoras Sharp MX-M200D Manual do Utilizador
(5 páginas)
Copiadoras Sharp AR-5220 Manual do Utilizador
(88 páginas)
Copiadoras Sharp SF-2530 Manual do Utilizador
(34 páginas)
Copiadoras Sharp AR-150 SERIES Manual do Utilizador
(1 páginas)
Copiadoras Sharp AR-C360P Especificações
(181 páginas)
Copiadoras Sharp MX-M283 Manual do Utilizador
(12 páginas)
Copiadoras Sharp AR-207 Manual do Utilizador
(5 páginas)
Copiadoras Sharp AR-M276 Manual do Utilizador
(1 páginas)
Copiadoras Sharp JH-1600E Manual do Utilizador
(13 páginas)
Copiadoras Sharp AL-1225 Manual do Utilizador
(9 páginas)
Copiadoras Sharp DX-C400 - Color - All-in-One Manual do Utilizador
(12 páginas)
Copiadoras Sharp MX-C402SC Manual de Instruções
(58 páginas)
Copiadoras Sharp DM-1505 - B/W Laser Printer Manual do Utilizador
(4 páginas)
Copiadoras Sharp AR-F14N Manual do Utilizador
(8 páginas)
Copiadoras Sharp AL-1670 - B/W Laser - Copier Especificações
(72 páginas)
Copiadoras Sharp AR-M276 Manual do Utilizador
(24 páginas)
Imprimir documento
Imprimir página 103
Comentários a estes Manuais