
Полезные функции
Воспроизведение
Использование пульта
дистанционного управления
(прилагается только к модели VL-Z5)
Нажмите V или л для выбора опции
“ON”, а затем нажмите центральную часть
функциональной кнопки.
REMOTE
I
ON
Функционирование
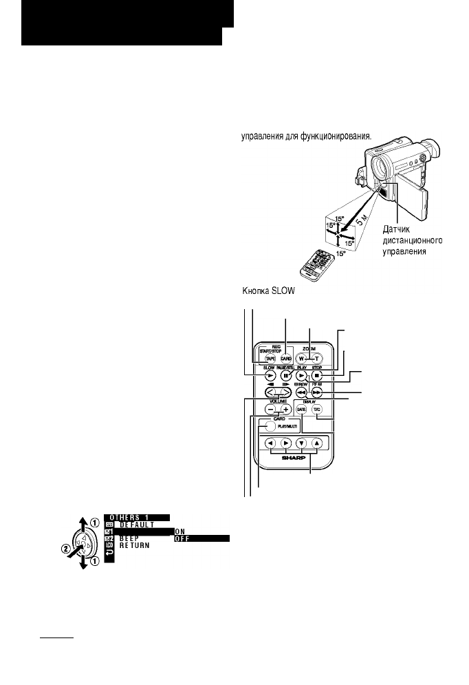
Нацельте пульт дистанционного управления на датчик
дистанционного управления с пульта дистанционного
управления камкордера, и нажимайте кнопки
Доступные режимы:
Все режимы
Используйте пульт дистанционного управления
для работы с камкордером на расстоянии, как,
например, в случае, если Вы хотите выполнить
запись самого себя в эпизоде или, если камкордер
подсоединен к телевизору, для использования его
в качестве видеомагнитофона.
Активизация
• Примеры экранов показаны для режима
воспроизведения ленты.
1 Нажимайте кнопку DISPLAY до тех пор,
пока не появится экран режимов.
2 Нажмите V или л на функциональной
кнопке для выбора опции “MENU”, а затем
нажмите центральную часть
функциональной кнопки.
3 Нажмите V или л для выбора опции
“EXECUTE”, а затем нажмите центральную
часть функциональной кнопки.
4 Нажмите V или л для выбора опции
Z, а затем нажмите центральную часть
функциональной кнопки.
5 Нажмите V или л для выбора опции
“REMOTE”, а затем нажмите центральную
часть функциональной кнопки.
Кнопка TAPE REC START/STOP
Кнопка CARD REC
Кнопки ZOOM (W/T)
■ Кнопка PAUSE/STILL
Кнопка STOP
Кнопка PLAY
Кнопка FF
Кнопка REW
1 ^
-----
Кнопка T/C (кода
времени)
Кнопка DATE
46
Нажмите кнопку DISPLAY для выключения
экрана меню.
Кнопки переключения
Кнопка CARD PLAY/MULTI
Кнопки VOLUME -/ +
Кнопки вперед/назад
Примечания:
• Будьте внимательны, не подвергайте датчик приема
сигнала с пульта дистанционного управления
воздействию прямых солнечных лучей или сильного
внутреннего освещения, так как это может помешать
датчику приема сигнала с пульта дистанционного
управления функционировать должным образом.
• Обязательно убедитесь в том, что между пультом
дистанционного управления и датчиком приема
сигнала с пульта дистанционного управления нет
никаких препятствий.
• Пульт дистанционного управления (RRMCGA149WJSA)
не прилагается к модели VL-Z3. Обратитесь в
ближайший сервисный центр SHARP или к Вашему
дилеру для покупки соответствующего изделия.
6
7
Comentários a estes Manuais