Many
Manuals
search
Categorias
Marcas
Principal
Sharp
Câmaras de vídeo
VL-A111S
Manual de Serviço
Sharp VL-A111S Manual de Serviço Página 45
Descarregar
Partilhar
Partilha
Adicionar aos meus manuais
Imprimir
Página
/
96
Índice
MARCADORES
Avaliado
.
/ 5. Com base em
avaliações de clientes
1
2
3
4
5
6
7
8
9
10
11
12
13
14
15
16
17
18
19
20
21
22
23
24
25
26
27
28
29
30
31
32
33
34
35
36
37
38
39
40
41
42
43
44
45
46
47
48
49
50
51
52
53
54
55
56
57
58
59
60
61
62
63
64
65
66
67
68
69
70
71
72
73
74
75
76
77
78
79
80
81
82
83
84
85
86
87
88
89
90
91
92
93
94
95
96
VL-A111S/H/E/AH131S/H/E
VL-AH151S/H/E
123456789
1
0
11
12
13
14
15
16
17
18
19
20
A
B
C
D
E
F
G
H
I
J
46~47
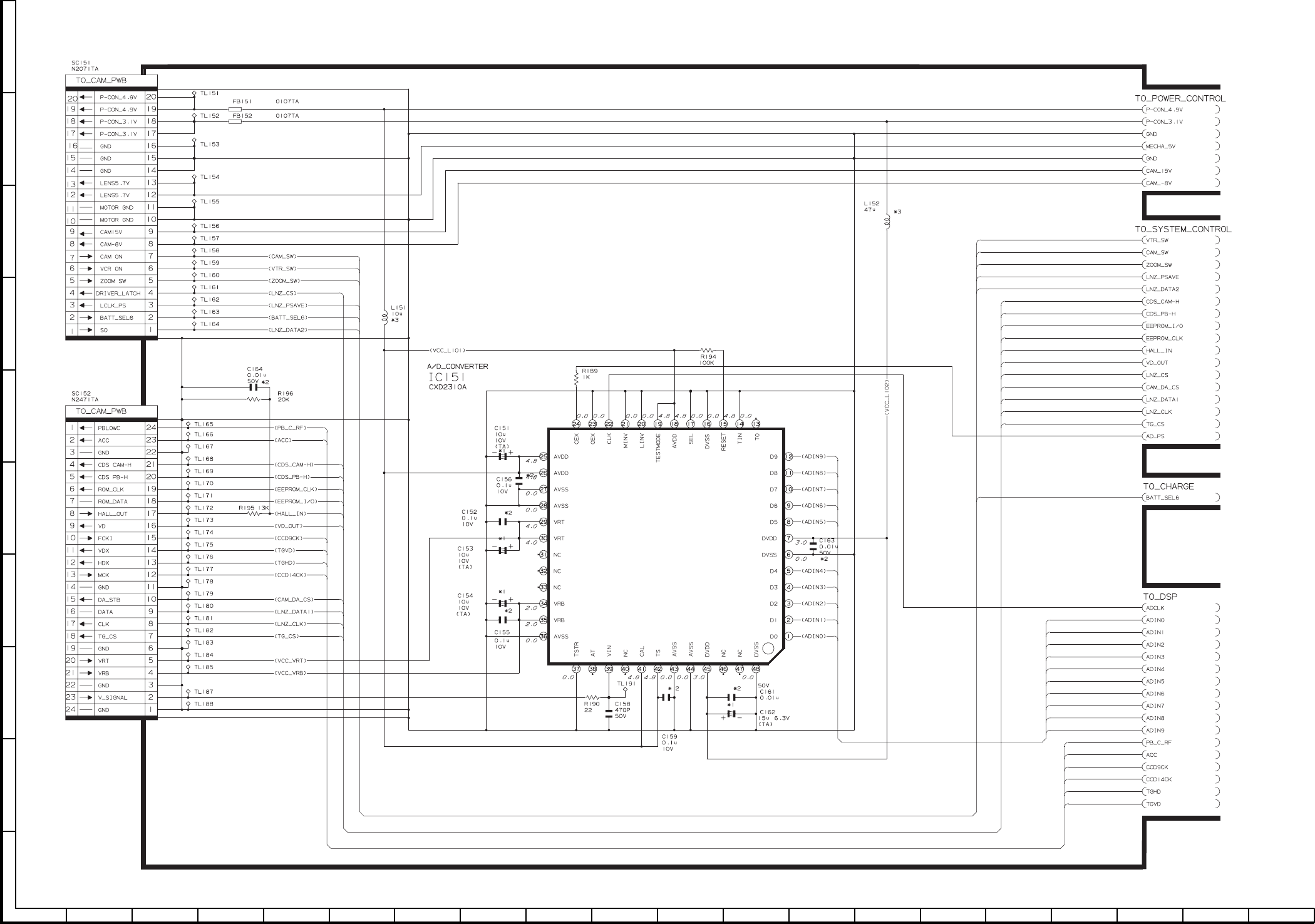
7-2. A/D_CONVERTER SCHEMATIC DIAGRAM
1
2
...
40
41
42
43
44
45
46
47
48
49
50
...
95
96
SERVICE MANUAL
1
1. SPECIFICATIONS
2
2. PART NAMES AND FUNCTION
3
3. DISASSEMBLY OF THE SET
4
LZ2423H5
9
4. MECHANISM ADJUSTMENT
10
4-2-2. Notes and cautions
11
Reel support surface
12
Rise waveform
14
REV OK Playback
14
REV NG Playback
14
4-4-4. Adjusting the Tu guide
15
4-5-1. Mechanism modes
16
4-5-2. Cassette control ass’y
17
4-5-4. Drum and Drum base
17
4-5-5. Phase matching
18
Insert the part in the rail
19
5-1. BEFORE ADJUSTMENT
21
PROM setting
21
5-3-4. Setting value
22
5-4. TEST mode
23
5-6. VCR section adjustments
23
<Extension Cable etc.>
24
5-6-3. VCR circuit adjustment
25
Standard value
26
5-7. CAM section adjustment
29
300±10mVp-p(75Ω terminal)
30
5-7-3-9. Color adjustsment
31
5-8. TROUBLE SHOOTING
32
5-8-3. Charging mode troubles
33
6. BLOCK DIAGRAMS
34
VL-A111S/H/E/AH131S/H/E
35
VL-AH151S/H/E
35
6-5. LENS DRIVE BLOCK DIAGRAM
42
- M E M O
43
7-5. AUDIO SCHEMATIC DIAGRAM
49
A111 A131
50
R4703 0 Ω NC
50
R4704 0 Ω NC
50
C705 NC 1000p
50
C707 NC 1000p
50
7-14. TG SCHEMATIC DIAGRAM
60
7-19. CCD SCHEMATIC DIAGRAM
65
VCR PWB Wiring Side SIDE A
67
VCR PWB Wiring Side SIDE B
69
ELECTRICAL PARTS LIST
77
PACKAGED CIRCUITS
78
COILS AND TRANSFORMER
78
CAPACITORS
79
RESISTORS
81
CABINET PARTS LIST
88
MECHANISM PARTS
88
CASSETTE HOUSING PARTS
89
CAMERA UNIT PARTS
89
(NOT REPLACEMENT ITEM)
90
CABINET EXPLODED VIEW
92
CAMERA UNIT EXPLODED VIEW
93
ALL RIGHTS RESERVED
96
Comentários a estes Manuais
Sem comentários
Publish
Manuais e produtos relacionados com Câmaras de vídeo Sharp VL-A111S
Câmaras de vídeo Sharp VL-NZ50U - MiniDV Compact Digital Viewcam Especificações
(84 páginas)
Câmaras de vídeo Sharp VL-AH131E Especificações
(72 páginas)
Câmaras de vídeo Sharp R-520E Especificações
(136 páginas)
Câmaras de vídeo Sharp VL-WD450U Especificações
(120 páginas)
Câmaras de vídeo Sharp VIEWCAM VL-A10H Especificações
(63 páginas)
Câmaras de vídeo Sharp VL-C650S Manual de Serviço
(112 páginas)
Câmaras de vídeo Sharp VN-EZ1U Especificações
(49 páginas)
Câmaras de vídeo Sharp VL-Z1U Manual de Serviço
(129 páginas)
Câmaras de vídeo Sharp VL-A111S Manual do Utilizador
(67 páginas)
Câmaras de vídeo Sharp VL-NZ50S Manual do Utilizador
(72 páginas)
Câmaras de vídeo Sharp VL-AH151S Manual do Utilizador
(75 páginas)
Câmaras de vídeo Sharp VL-AH131S Manual do Utilizador
(67 páginas)
Câmaras de vídeo Sharp VL-NZ100S Manual do Utilizador
(96 páginas)
Câmaras de vídeo Sharp DSR-PD150P Manual do Utilizador
(172 páginas)
Câmaras de vídeo Sharp VL-NZ100S Manual do Utilizador
(91 páginas)
Câmaras de vídeo Sharp VL-AH160U Manual do Utilizador
(80 páginas)
Câmaras de vídeo Sharp VL-AH130U Manual do Utilizador
(72 páginas)
Câmaras de vídeo Sharp VL-Z7U Manual do Utilizador
(140 páginas)
Câmaras de vídeo Sharp VL-Z400H-T Manual do Utilizador
(123 páginas)
Câmaras de vídeo Sharp SCL901 Manual do Utilizador
(76 páginas)
Imprimir documento
Imprimir página 45
Comentários a estes Manuais