
HT-DP2500W
– 15 –
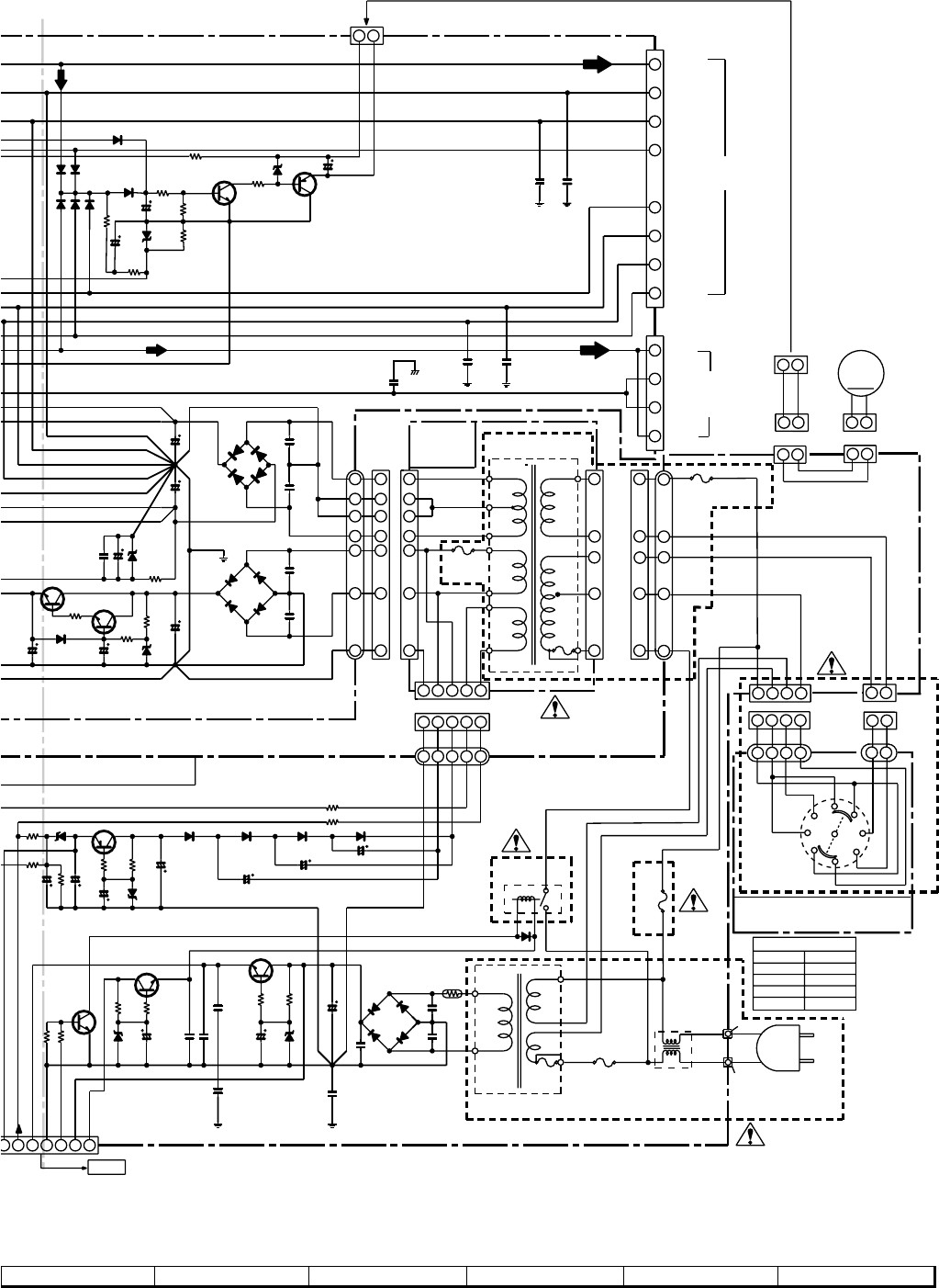
Figure 15 SCHEMATIC DIAGRAM (4/7)
C609
0.047
C618
0.047
C619
0.047
F603
T100mA L 250V
CNS602
CNP602
CNP601
CNP603
CNS603
ZD632
MTZJ5.1A
R629
22K
C642
47/50
R626
10K
D625
1N4148
T601
POWER TRANSFORMER
D607
1N4004
RLY601
RELAY
SO702
SURROUND
SPEAKER
TERMINALS
D736 1N4148
D735 1N4148
D740 1N4148
C615
47/50
R610
1
ZD612
MTZJ6.8C
R607
3.3K
R608
47K
SO701
SPEAKER
TERMINALS
Q603
KTC3199 GR
ZD602
MTZJ5.6B
R606
1K
C606
47/25
R605
47
Q601
2SD468 C
R604
47
C604
47/16
C607
0.022
C605
0.022
C610
2200/16
R603
820
ZD601
MTZJ6.8A
D601-D604
1N4004
C601
0.047
C602
0.047
C630
0.1
C631
0.1
C620
0.1
C621
0.1
D623
1N4004
D621
1N4004
D622
1N4004
D624
1N4004
D630
S4VB20
R623
470
ZD630
MTZJ110A
C634
220/25
C635
0.022
C633
4700/50
C622
2200/25
Q622
2SD2012 Y
C624
47/25
R620
560
ZD621
MTZJ120B
R621
1K
C623
220/25
Q621
KTC3199 GR
R622
47
R612
1
C611
100/50
C613
47/63
C612
100/50
R611
1
D611
1N4004
D612
1N4004
D613
1N4004
D614
1N4004
ZD611
MTZJ330C
R613
2.2K
R614
100
C614
220/63
R617
220
C617
100/35
R615
12K
Q611
KTA1266 GR
C616
47/50
R616
220
VF2
POW_1
POW_2
D_GND
POW_SW
U-COM5V
SUB
WOOFER
SUB
WOOFER
GND
CENTER
GND
CENTER
R-CH
R-CH
GND
L-CH
GND
L-CH
1
2
3
4
5
6
7
8
1
2
3
4
4 4 4
1 2 3 4
5
1 2 3 4
5
2 3 4
5
7
6
8
1
1
5
5
D634
1N4148
D739
1N4148
D738
1N4148
17.4V
12.1V
11.6V
11.6V
17.4V
10.9V
–10.7V
–32.8V
–46V
–33.4V
5V
7.6V
6.4V
5.8V
4.9V
5.6V
7.6V
0V
0.77V
0V
FRONT
L-CH
CNS601
T.F.
7 7 7
6 6 6
5 5 5
3 3 3
2 2 2
1 1 1
BI602
F611
T800mA
L 250V
T602
POWER TRANSFORMER
C632
4700/50
T.F.
C618
0.047
TO DISPLAY PWB
P17 8-H
CNS4
B
B
1 2 3 4
5
BI603
BI601
WER SUPPLY PWB-C2
AC POWER
SUPPLY CORD(220)
AC110/127/220/230-240V
50/60Hz
C666
0.01
FRONT
L-CH GND
FRONT
R-CH GND
FRONT
R-CH
POWER
AMP.
PWB C-3
D602
D601
D604
D603
Q602
2SD468 C
C670
0.01
C669
0.01
C668
0.01
C667
0.01
D633
1N4148
C640
10/50
R624 4.7K
R631
10K
R628
47
ZD633
MTZJ4.7C
R630
3.9K
Q632
2SC3199 GR
CNP613
1 2
Q633
KTA1270 Y
2
5
4
3
1
BI6A4
4 3 2 1
2 1
4 3 2 1
4 3 2 1
2 1
2 1
M
2 1
1 2
2 1
1 2
M671
FAN MOTOR
2
4
3
2
4
3
F602
T1.25A L 250V
LF601
LINE FILTER
BI6B4
CNS6A4
CNS6B4
CNP6A4
CNP6B4
VOLTAGE SELECTOR
SWITCH PWB-C6
CNP612
CNS612B
CNS611
CNP611
1
2
3
4
5
6
7
8
110V
127V
220/230-240V
0V
SW601
VOLTAGE
SELECTOR
(230)
(230)
F601
T2.5A L 250V
VOLTAGE REGULATOR
VOLTAGE REGULATOR
SWITCHING
VOLTAGE REGULATOR
R627
18K
C641
10/50
0V
10.9V
(0.6V)
0V
0V
(6.0V)
10.9V
10.9V
(6.0V)
(6.6V)
( ) : FAN IN ACTION
1 2
CNS612A
110V
SWITCH POSITION
127V
230-240V
3-4, 7-8
4-5, 8-1
VOLTAGE NO.
2-3, 6-7
220V
1-2, 5-6
Comentários a estes Manuais