
R-671 - 35
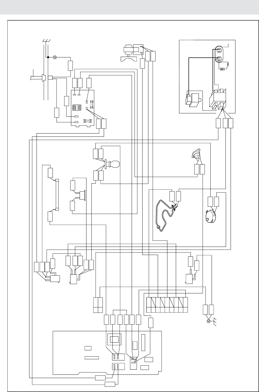
Figure S-1. Pictrorial Diagram
CIRCUIT DIAGRAMS CONT...
BLU
WHT
YLW
WHT
BRN
TC2:
THERMAL
CUT-OUT(OVEN)
TC1:
THERMAL
CUT-OUT(HVT)
OL:
OVEN LAMP
FM:
FAN MOTOR
ORG
RED
YLW
WHT
WHT
HIGH VOLTAGE COMPONENTS
H.V.WIRE B
MG: MAGNETRON
H.V.WIRE A
C:
H.V.
CAPACITOR
H.V.
RECTIFIER
T: HIGH VOLTAGE
TRANSFORMER
BLU
1 RED
2
3 GRY
4
5 WHT
6
7 BLU
8
9 YLW
COM
GRY
YLW
WHT
WHT
RED
GRY
N.C.
NC
COM
SW2:STOP
SWITCH
CONTROL UNIT
NO
COM
GH1: TOP GRILL
HEATING ELEMENT
GH2:BOTTOM
HEATING
ELEMENT
ORG
WHT
WHT
RED
WHT
GRN
GRN
GRN
BRU
RED
ORG
WHT
TTM: TURNTABLE
MOTOR
SW3:
MONITOR
SWITCH
SW1:PRIMARY
LATCH
SWITCH
GRY
ORG
BLK
RED
RED
BRN
G
R
Y
Y
L
W
BLK
BLK
WHT
CN-A
CN-A
1
1
91
1
11
2
CN-B
CN-B
T1
CN-C
2
RED
GRN
RED
RED
BLU
G/Y
WHT
WHT
POWER SUPPLY CORD
NOISE FILTER
LIVE
NEUTRAL
L
TP
F 8 A
TL
RED
15 A
WHT
N
BLK
YLW
GRY
BRN
RY5
RY6
RY4
RY1
RY3RY2
COM
COM
COM
Comentários a estes Manuais