
300 SERIES MAN HOLE DIGGER
FORM GOM12070702, VERSION 1.2
56
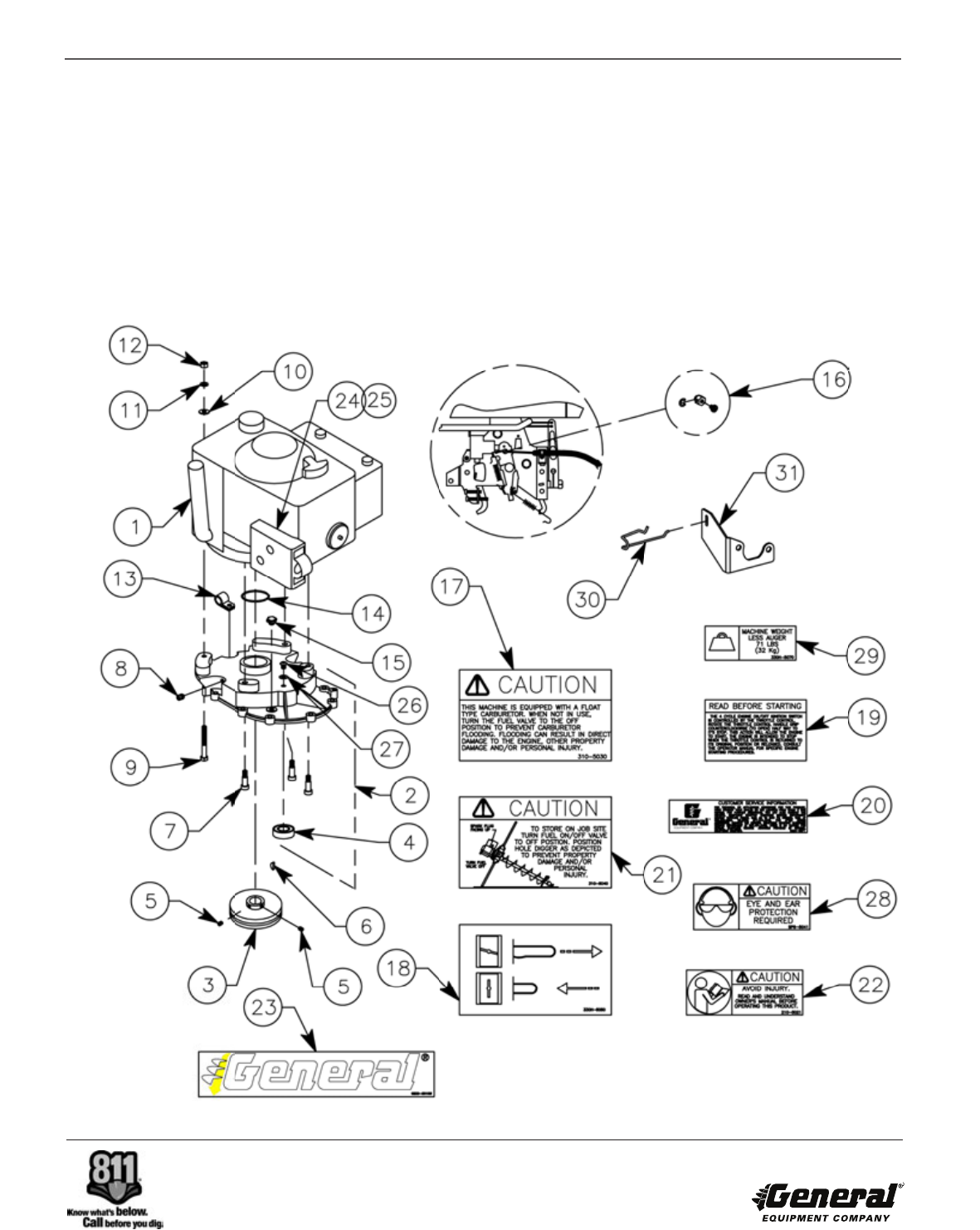
Engine And Cover Assembly
330H, 343H, & 357H Hole Diggers
Equipped with Honda GXV160 Engine
[Used Starting With 330H Serial Number 33022419]
[Used Starting With 343H Serial Number 27263]
[Used Starting With 357H Serial Number 26019]
Comentários a estes Manuais