
– 33 –
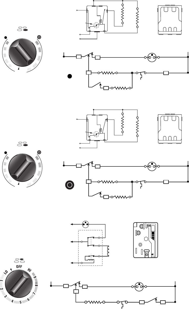
SURFACE ELEMENT STRIP CIRCUITS
SURF IND LIGHT
RR SURF ELEM
SURF CONT
LI L2
SURF CONT
H2
L2
THERMAL
LIMITER SW.
H1
P
LI
W
M
REAR
RIGHT REAR
SURFACE UNIT
H1
P
H2
L2
L1
CURRENT
SENSITIVE
L2
L2
N
PILOT
P
H1
H2
L1
L1
RR
SURFACE
UNIT
< 1 Ω
1500 W
38.4 Ω
H
I
8
8
H
I
6
6
4
2
L
O
L
O
2
4
SMALL
BURNER
LARGE
BURNER
OFF
W
M
SURF IND LIGHT
INNER ELEM
SURF CONT
LI L2
SURF CONT
N
THERMAL
LIMITER SW.
5
2
L2
5
N
2
3
L1
L1
H1
TOP
4
P
L2
H2
N
4
32
GRND
5
P
H2
H1
GRND
CYCLING
CONTACT
10.45 KΩ
VOLTAGE SENSITIVE
RF INNER SURFACE
UNIT ONLY
3
4
OUTER ELEM
INNER ELEMENT
OUTER ELEMENT
FRONT
37.0 Ω
55.0 Ω
SURF IND LIGHT
INNER ELEM
LI L2
SURF CONT
THERMAL
LIMITER SW.
5
2
L2
5
N
2
3
L1
L1
H1
TOP
4
P
L2
H2
N
4
32
GRND
5
P
H2
H1
GRND
CYCLING
CONTACT
10.45 KΩ
VOLTAGE SENSITIVE
RF INNER & OUTER
SURFACE UNITS
3
4
OUTER ELEM
INNER ELEMENT
OUTER ELEMENT
H
I
8
8
H
I
6
6
4
2
L
O
L
O
2
4
SMALL
BURNER
LARGE
BURNER
OFF
W
M
FRONT
SURF CONT
N
37.0 Ω
55.0 Ω
MODELS:
JB960WB
JB960AB
JB960BB
Comentários a estes Manuais